WeiGao Transmission
Email:
sales@wgt.net.cn
Language
English
简体中文
Русский
العربية
Français
Español
Português
Deutsch
日本語
Tiếng Việt
Bahasa Indonesia
हिन्दी
اردو
More Language
:
All
Product Name
Product Keyword
Product Model
Product Summary
Product Description
Multi Field Search
Home
About Us
About Us
Production Strength
Enterprise qualification
Quality Standards
After sale service
FAQ
Contact Us
Products
R series helical gear reducer
S series helical gear worm reducer
K series helical bevel gear reducer
F series parallel shaft helical gear reducer
HB series industrial gearbox
P series planetary gear reducer
P series planetary gear reducer
2-stage planetary gear transmission (search by model)
3-stage planetary gear transmission (search by model)
WP series worm gear box
NMRV series aluminum shell reducer
B/X cycloid reducer
ZQ ZD ZL ZS soft tooth surface cylindrical gear reducer
ZSY ZLYJ DBY QJ ZD DC medium hard tooth surface cylindrical gear reducer
T series spiral bevel gear reducer
SWL JW JWB JWM series worm screw jack
YHJ series non-gravity mixer special reducer
SMR series shaft mounted reducer
AC motor
IEC Standard Motor
Y2(YS YX3 MS) aluminum cylinder series high efficiency three-phase asynchronous motor
YE3 series ultra-high efficiency three-phase asynchronous motor
YBX3 series explosion-proof dust explosion-proof three-phase asynchronous motor
YBBP series explosion-proof frequency converter motor
RKSF series reducer high-efficiency motor
GLF series high efficiency three-phase asynchronous motor
High-efficiency three-phase asynchronous motor for YSF series axial fans
Four series of high-efficiency motors
YC_MC series single-phase capacitor start asynchronous motor
YL_ML series double-value capacitor single-phase asynchronous motor
YY(MY) series single-phase capacitor run asynchronous motor
generator set
Coupling
Search Classes by Model
WH_WHCJ_CW_LCW_SCW_WD_WSJ_WXJ_A_M
WP_WPW_WPE
XWD_BWY_JXJW_XLD_JXJL_BLY_BYY_XWED_BWEY
Replace SEW_M_MC_ series industrial gearbox
Gear_transfer_case_PUMP_DRIVE
Reducer mixing equipment
Substitute for Russian gearbox products
[China Optical Network Supply Chain]CNFIBERNET
Fiber Transceiver
Network management fiber optic transceiver
Industrial fiber optic transceiver
Production Strength
3D selection system
Electronic Catalogue
Electronic Catalogue
3D selection system
Download
Product Video
News
After-sale service
FAQ
Global case
Online Message
Contact Us
English
简体中文
Русский
العربية
Français
Español
Português
Deutsch
日本語
Tiếng Việt
Bahasa Indonesia
हिन्दी
اردو
More Language
:
All
Product Name
Product Keyword
Product Model
Product Summary
Product Description
Multi Field Search
Home
About Us
About Us
Production Strength
Enterprise qualification
Quality Standards
After sale service
FAQ
Contact Us
Products
R series helical gear reducer
S series helical gear worm reducer
K series helical bevel gear reducer
F series parallel shaft helical gear reducer
HB series industrial gearbox
P series planetary gear reducer
P series planetary gear reducer
2-stage planetary gear transmission (search by model)
3-stage planetary gear transmission (search by model)
WP series worm gear box
NMRV series aluminum shell reducer
B/X cycloid reducer
ZQ ZD ZL ZS soft tooth surface cylindrical gear reducer
ZSY ZLYJ DBY QJ ZD DC medium hard tooth surface cylindrical gear reducer
T series spiral bevel gear reducer
SWL JW JWB JWM series worm screw jack
YHJ series non-gravity mixer special reducer
SMR series shaft mounted reducer
AC motor
IEC Standard Motor
Y2(YS YX3 MS) aluminum cylinder series high efficiency three-phase asynchronous motor
YE3 series ultra-high efficiency three-phase asynchronous motor
YBX3 series explosion-proof dust explosion-proof three-phase asynchronous motor
YBBP series explosion-proof frequency converter motor
RKSF series reducer high-efficiency motor
GLF series high efficiency three-phase asynchronous motor
High-efficiency three-phase asynchronous motor for YSF series axial fans
Four series of high-efficiency motors
YC_MC series single-phase capacitor start asynchronous motor
YL_ML series double-value capacitor single-phase asynchronous motor
YY(MY) series single-phase capacitor run asynchronous motor
generator set
Coupling
Search Classes by Model
WH_WHCJ_CW_LCW_SCW_WD_WSJ_WXJ_A_M
WP_WPW_WPE
XWD_BWY_JXJW_XLD_JXJL_BLY_BYY_XWED_BWEY
Replace SEW_M_MC_ series industrial gearbox
Gear_transfer_case_PUMP_DRIVE
Reducer mixing equipment
Substitute for Russian gearbox products
[China Optical Network Supply Chain]CNFIBERNET
Fiber Transceiver
Network management fiber optic transceiver
Industrial fiber optic transceiver
Production Strength
3D selection system
Electronic Catalogue
Electronic Catalogue
3D selection system
Download
Product Video
News
After-sale service
FAQ
Global case
Online Message
Contact Us
Home
/
Products
/
Search for products by model
/
Replace SEW_M_MC_ series industrial gearbox
Product Search
:
All
Product Name
Product Keyword
Product Model
Product Summary
Product Description
Multi Field Search
Products Category
R series helical gear reducer
S series helical gear worm reducer
K series helical bevel gear reducer
F series parallel shaft helical gear reducer
HB series industrial gearbox
P series planetary gear reducer
P series planetary gear reducer
2-stage planetary gear transmission (search by model)
3-stage planetary gear transmission (search by model)
WP series worm gear box
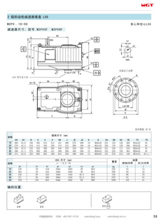
WP single-stage reducer (1/10-1/60)
WPW universal reducer (1/10-1/60)
WPE two-stage reducer (1/100-1/3600)
NMRV series aluminum shell reducer
B/X cycloid reducer
ZQ ZD ZL ZS soft tooth surface cylindrical gear reducer
ZSY ZLYJ DBY QJ ZD DC medium hard tooth surface cylindrical gear reducer
T series spiral bevel gear reducer
SWL JW JWB JWM series worm screw jack
YHJ series non-gravity mixer special reducer
SMR series shaft mounted reducer
AC motor
IEC Standard Motor
Y2(YS YX3 MS) aluminum cylinder series high efficiency three-phase asynchronous motor
YBX3 series explosion-proof dust explosion-proof three-phase asynchronous motor
YBBP series explosion-proof frequency converter motor
YE3 series ultra-high efficiency three-phase asynchronous motor
Coupling
Search for products by model
WH_WHCJ_CW_LCW_SCW_WD_WSJ_WXJ_A_M
WP_WPW_WPE
XWD_BWY_JXJW_XLD_JXJL_BLY_BYY_XWED_BWEY
Replace SEW_M_MC_ series industrial gearbox
Gear_transfer_case_PUMP_DRIVE
Reducer mixing equipment
Substitute for Russian gearbox products
Replace SEW_M_MC_ series industrial gearbox
Sort
Please select
Newest addition
The latest editor
Title, A-Z
Title, Z-A
Add to Compare
M2PVHF30 Replace_SEW_M_Series Gearbox
Inquire
Add to Basket
More >>
Add to Compare
M2PVHF20 Replace_SEW_M_Series Gearbox
Inquire
Add to Basket
More >>
Add to Compare
M2PVHF10 Replace_SEW_M_Series Gearbox
Inquire
Add to Basket
More >>
Add to Compare
M2PVSF50 Replace_SEW_M_Series Gearbox
Inquire
Add to Basket
More >>
Add to Compare
M2PVSF40 Replace_SEW_M_Series Gearbox
Inquire
Add to Basket
More >>
Add to Compare
M2PVSF30 Replace_SEW_M_Series Gearbox
Inquire
Add to Basket
More >>
Add to Compare
M2PVSF20 Replace_SEW_M_Series Gearbox
Inquire
Add to Basket
More >>
Add to Compare
M2PVSF10 Replace_SEW_M_Series Gearbox
Inquire
Add to Basket
More >>
Add to Compare
M5RHT90 Replace_SEW_M_Series Gearbox
Inquire
Add to Basket
More >>
Add to Compare
M5RHT70 Replace_SEW_M_Series Gearbox
Inquire
Add to Basket
More >>
Add to Compare
M5RHT60 Replace_SEW_M_Series Gearbox
Inquire
Add to Basket
More >>
Add to Compare
M5RHT50 Replace_SEW_M_Series Gearbox
Inquire
Add to Basket
More >>
Add to Compare
M5RHT80 Replace_SEW_M_Series Gearbox
Inquire
Add to Basket
More >>
Add to Compare
M5RHF80 Replace_SEW_M_Series Gearbox
Inquire
Add to Basket
More >>
Add to Compare
M5RHF70 Replace_SEW_M_Series Gearbox
Inquire
Add to Basket
More >>
Add to Compare
M5RHF60 Replace_SEW_M_Series Gearbox
Inquire
Add to Basket
More >>
Add to Compare
M5RHF50 Replace_SEW_M_Series Gearbox
Inquire
Add to Basket
More >>
Add to Compare
M5RHF90 Replace_SEW_M_Series Gearbox
Inquire
Add to Basket
More >>
«
1
...
24
25
26
...
30
»
WeiGao Transmission
Weigao Gear Reducer is an alliance group company that integrates research and development, production, sales, and service
+86 400 801 9158
Email:
sales
@
wgt.net.cn
;
wgt.net.cn@gmail.com
Tel:+86571 85023000
WEIGAO REDUCER
About Us
Products
Production Strength
After-sale service
Product Video
Gallery
FAQ
News
Sitemap
Email
wgt.net.cn@gmail.com
whatsApp
Gaoping Hu
Anpu Hu
online service
Messenger Online
QR Code
Customer service QR code
FEEDBACK
Submit